歡(huān)迎您訪問 保(bǎo)定市潍坊鼎高模具制造有限公司江西分公司官網!q🔞讯家园主页🚩
歡(huān)迎您訪問 保(bǎo)定市潍坊鼎高模具制造有限公司江西分公司官網!q🔞讯家园主页🚩
24小時咨詢(xun)熱線: 0312-*******-130********
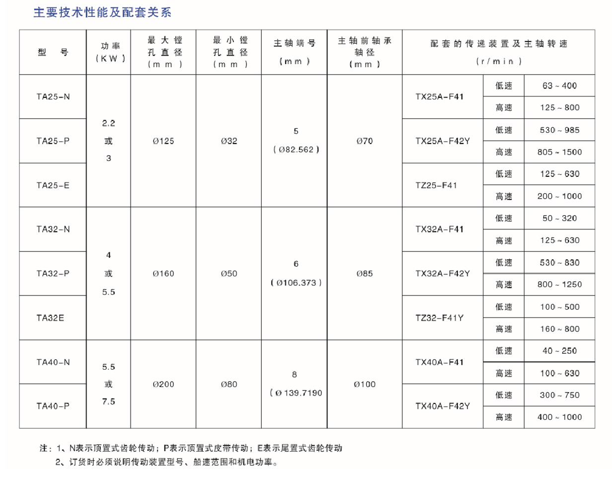
本系列镗(tang)削頭與相同(tóng)規格的液壓(ya)滑台或機械(xie)滑台相☎️配套(tào)組📱成镗削組(zu)合機床,用以(yi)完成對鑄鐵(tiě),鋼及有色金(jin)屬工件的🚩儋(dān)州剛性粗、精(jing)镗孔加工。最(zuì)高📐镗孔精✏️度(du)IT7,被加工表面(miàn)的最佳🚶表面(miàn)粗糙度可達(dá)1.6。特殊訂貨可(kě)實現手動❄️變(bian)速。


CONTACT INFORMATION
關于我們
保定(ding)市潍坊鼎高模具制造有限公司江西分公司(原潍坊鼎高模具制造有限公司江西分公司)是一家(jiā)集數控機床(chuáng)、重型機床、專(zhuan)用機床、組合(hé)機床、柔性智(zhi)能生産線、研(yan)發、生産、銷售(shòu)于服務爲一(yī)體的企業。
版權所(suo)有◎2021 保定市潍坊鼎高模具制造有限公司江西分公司 京(jīng)ICP證000000号
›